为了减少潜孔钻机在工作过程产生的灰尘污染,设计了潜孔钻机除尘系统,介绍了除尘系统的工作原理与除尘系统的组成,对捕尘罩、旋风除尘器、除尘箱、除尘风机、反吹系统等进行了研究。在潜孔钻机上的实际应用结果表明了除尘系统的可靠性。

钻机在露天开采作业中承担着钻探和穿爆的生产任务。但是,无论是旋转切削钻机还是潜孔钻机,钻机在钻孔作业时会产生大量的扬尘,钻机除尘效果的好坏直接影响着钻孔的工作效率。粉尘的污染,除了污染大气,还会对操作者造成一定的身体危害,对设备的运行也会产生一定的影响。为此,设计了一种潜孔钻机除尘系统,介绍了除尘系统的工作原理、除尘系统的组成,并在潜孔钻机上进行试验,验证了除尘系统的可靠性与实用性。
钻机在打孔作业时,钻进过程中产生的粉尘会在排尘风压的作用下,从孔底反吹到孔口,如果此时,不对灰尘进行处理,灰尘便会排放到大气中,污染环境。所以在钻机工作时,首先下放捕尘罩,捕尘罩将孔口密封住,同时,启动除尘风机,在除尘风机的作用下,捕尘罩内会产生负压,粉尘在排尘风机的作用下,粉尘会进入到风管中,经过风管后进入旋风除尘器,此时灰尘会沿旋风除尘器内壁做旋流运动,从而在离心力和重力的作用下,使大颗粒的岩石从旋风除尘器中脱落,细小灰尘通过吸尘胶管进入除尘箱中,在滤芯的过滤作用下,使干净的空气排出到大气中,灰尘通过除尘箱的灰斗排放到钻孔工作面上。当有过多的尘土附着在滤芯上时,对滤芯实行反吹,从而保证下次过滤的可靠性。除尘系统工作原理图如图1。
1- 捕尘罩;2- 橡胶挡板;3- 钻杆;4- 旋风除尘器;5- 吸尘胶管;6- 挡板;7- 滤芯;8- 气管;9- 除尘风机;10- 除尘马达;11- 电磁脉冲阀;12- 储气罐。
▲图1 除尘系统工作原理图
1)捕尘罩。捕尘罩和旋风除尘器及除尘箱在除尘系统中,捕尘罩主要起到对灰尘进行固定的作用。在钻机进行钻孔工作时,捕尘罩在液压油缸的作用下,会向下移动,与打孔工作面紧密接触,保证粉尘不会被泄露,为了密封效果好,除尘器常采用橡胶材质,橡胶材质具有很好的柔韧性,可以适应钻孔过程中高低不平的工作面。
2)旋风除尘器。旋风除尘器主要起到过滤大颗粒杂质,实现第一级过滤,从而达到保护滤芯的目的。在除尘风机的作用下,灰尘会通过吸尘胶管进入到旋风除尘器,此时,灰尘会在旋风除尘器中不断旋转,此时变会产生一种离心力,在这种力的作用下,一般较大的颗粒岩渣便在离心力的作用下移向外壁,到达外壁的尘粒在气流和重力共同作用下沿旋风除尘器的壁面落入灰斗。上涡旋一气流从除尘器顶部向下高速旋转时,一部分气流带着细小的尘粒沿筒壁旋转向上,到达顶部后,再沿排出管外壁旋转向下,最后从排气管排出。因较小的灰尘净化效果不明显,所以旋风除尘器只能初步过滤较大颗粒的杂质。
3)除尘箱。除尘箱主要起到过滤细小颗粒杂质的目的,实现二级过滤,减小细小颗粒的污染。在除尘风机和旋风除尘器的共同作用下,只有细小的灰尘会进入到除尘箱。较大的颗粒已经通过旋风除尘器的作用排放到了工作面上,不会进入除尘箱,保证不会有较大颗粒进入滤芯,造成滤芯的损坏。在除尘箱的内部,装有多个过滤精度为0.5~5μm的滤芯,可以对灰尘进行精细的过滤,从而使灰尘存留在滤芯表面,保证排放到大气中的空气的清洁度,从而减小污染。
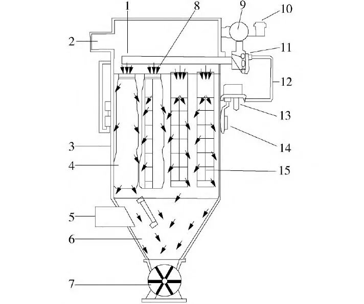
除尘箱上还必须设有清灰装置,当滤筒在过滤时,大量灰尘会吸附在滤筒上,如果不及时的进行反吹,除了会影响下一次的过滤效果,当滤芯堵塞严重时,滤芯在吸力的作用下,还会发生变形,影响滤芯的使用寿命。所以,必须在除尘系统中设置反吹装置。一般,用安装在除尘箱上的压差计的读数,表示清灰效果的好坏。当阻力超过规定数值时,表明滤芯上积累了过多的灰尘,此时应对清灰装置进行检修。除尘箱结构图如图2。
1- 喷嘴;2- 出口;3- 箱体;4- 滤芯;5- 进气口;6- 灰斗;7- 卸灰阀;8- 喷吹管;9- 气包;10- 安全阀;11- 脉冲阀;12- 连线;13- 控制仪;14- 压差计;15- 过滤中滤芯。
▲图2 除尘箱结构图
反吹装置中的风源主要来源于钻机的储气罐,为了良好的排渣效果,所以钻机储气罐的压力较大,一般能达到1.2~1.8MPa,而除尘箱的滤芯为纸质线隙式,此种滤芯不成承受过大的压力,所以常在该支路安装气动减压阀,从而控制进入除尘箱的气力压力。由于压缩机的压缩作用,从储气罐进入除尘箱的气体,会有少量的水分存在,为了延长滤芯的使用寿命,在减压阀上还装有过滤器,保证进入除尘箱的气体的清洁和干燥。
为了控制除尘器清灰喷吹系统压缩空气的周期供给,在储气罐进入除尘箱的气路上装有脉冲阀,利用脉冲阀的控制仪器的输出信号,控制脉冲阀的开断,从而控制反吹空气的供给,一般脉冲阀的喷吹时间为0.1~0.2s,多个脉冲阀依次动作,从而对滤芯逐个反吹。喷吹周期一般设置为60s,从而保证下次过滤的可靠性。
除尘系统的动力来源主要是除尘风机的转动,通过风机的高速运转,从而产生吸力,将钻机打孔产生的灰尘吸入除尘装置。
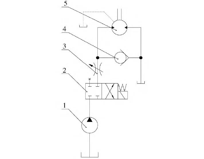
除尘风机的动力来源常选用电机,但是电机转速较低,而且电机体积较大,安装非常不方便,所以,现在很多除尘系统的风机动力来源常采用液压马达。除尘系统液压原理图如图3。
1- 液压泵;2- 换向阀;3- 节流阀;4- 单向阀;5- 液压马达。
▲图3 除尘系统液压原理图
与电机相比,液压马达能够提供更大的扭矩,而且液压马达体积小,便于安装。与传统的电机驱动相比,液压马达转速较高,液压马达转速可达到4000r/min以上,最高转速可以达到6000r/min,从而提供更大的吸力,使除尘效果更好。为了满足不同工况时不同转速的需求,可以在液压回路上安装节流阀,可以无级调整马达转速,从而满足各种工况的要求。但是,当液压系统停止工作时,此时,在惯性力的作用下,马达仍然会高速旋转,此时,马达的进油腔已经没有液压油的补充,便会产生负压,从而影响液压马达的使用寿命,因此,在马达的进油路与回油路之间安装单向阀,当进油路由于惯性力产生负压时,回油路的液压油会补充到进油路,从而保证液压系统的稳定运行,直至液压马达停止转动。
除尘系统是钻机在钻孔作业过程中不可缺少的重要部分,所以要注意日常的检查、维护与保养。具体保养与检查项目如下:
1)钻机工作之前,需要检查捕尘罩是否完好无损。如果捕尘罩损坏严重,就不能保证捕尘罩内的真空环境,从而影响除尘效果。
2)检查吸尘胶管。胶管连接处是否松动,如果吸尘管破损严重,会影响捕尘罩内负压的大小,从而使除尘系统除尘效果不好,影响除尘系统的可靠性。吸尘胶管的吸尘口是否有大颗粒和杂物堵塞,一旦有大颗粒堵塞会影响除尘效果。吸尘软管是否存在扭曲、变形等情况,吸尘管变形,会导致捕尘罩内不能产生负压。
3)除尘设备在运行时,需要经常观察除尘效果。应当看不见有灰尘从风机外壳的排气口排出;若有灰尘排出,应当立即更换滤芯和过滤密封圈,防止对风机叶片造成损伤。
4)运行时,经常观察反吹功能是否正常,如果反吹不正常时,需要及时检查脉冲阀,保证反吹的正常进行。定期检查滤芯是否清洁并是否有破损,滤芯损坏,会严重影响二级除尘效果。
针对露天矿潜孔钻机的粉尘污染现状,研制并生产了1种旋风-脉冲滤袋二级除尘系统,并将此套除尘系统搭载在LWD115系列钻机产品上,经过多次试验与现场长时间使用,表明了该套除尘系统的可靠性。